
GZ系列电磁振动给料机把块状、颗粒状及粉状物料,从贮料仓库或漏斗中均匀连续或定量的给到受料装置中可无级调节给料量,并实现生产流程的集中控制和自动控制。 其体积小、重量轻、安装方便、无转动部件、不需润滑、维修方便、工作效率高、消耗电能少。广泛应用于矿山、冶金、煤炭、轻工、化工、电力、机械、食品等行 业。
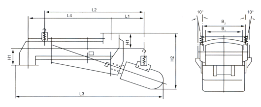
主要技术参数:
|
类型 |
型号 |
生产率≤T/h |
给料粒度 |
双振幅 |
供电电压 |
电流A |
功率 |
配套控制 |
重量 |
外形尺寸(mm) |
|||||||||
|
基 |
水平0° |
-10° |
工作电流 |
表示电流 |
L1 |
L2 |
L3 |
L4 |
H1 |
H2 |
B1 |
B2 |
|||||||
|
GZ0 |
5 |
7 |
50 |
1.75 |
220 |
1.34 |
1 |
0.06 |
XK35 |
75 |
910 |
600 |
200 |
550 |
100 |
360 |
200 |
230 |
|
|
GZ1 |
10 |
14 |
50 |
3.0 |
2.3 |
0.15 |
146 |
1175 |
800 |
310 |
660 |
120 |
450 |
300 |
388 |
||||
|
GZ2 |
20 |
35 |
75 |
4.58 |
3.8 |
0.25 |
217 |
1325 |
900 |
311 |
790 |
150 |
520 |
400 |
496 |
||||
|
GZ3 |
30 |
50 |
85 |
6.8 |
5.5 |
0.35 |
300 |
1460 |
1000 |
350 |
870 |
175 |
580 |
450 |
550 |
||||
|
GZ4 |
50 |
70 |
100 |
8.4 |
7 |
0.45 |
412 |
1615 |
1100 |
413 |
960 |
200 |
645 |
500 |
620 |
||||
|
GZ5 |
80 |
140 |
150 |
12.7 |
10.6 |
0.65 |
656 |
1815 |
1200 |
465 |
1050 |
250 |
765 |
700 |
850 |
||||
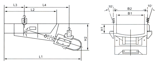
主要技术参数:
|
类型 |
型号 |
生产率≤T/h |
给料粒度 |
双振幅 |
供电电压 |
电流A |
功率 |
配套控制 |
重量 |
外形尺寸(mm) |
|||||||||
|
密 |
水平0° |
-10° |
工作电流 |
表示电流 |
L1 |
L2 |
L3 |
L4 |
H1 |
H2 |
B1 |
B2 |
|||||||
|
GZ0F |
4 |
5.6 |
40 |
1.75 |
220 |
1.34 |
1 |
0.06 |
XK35 |
77 |
264 |
716 |
1064 |
600 |
107.5 |
410 |
200 |
250 |
|
|
GZ1F |
8 |
11.2 |
40 |
3.0 |
2.3 |
0.15 |
154 |
288 |
903 |
1420 |
800 |
135 |
520 |
300 |
353 |
||||
|
GZ2F |
20 |
28 |
60 |
4.58 |
3.8 |
0.2 |
246 |
300 |
1082 |
1695 |
1000 |
170 |
620 |
400 |
461 |
||||
|
GZ3F |
30 |
40 |
50 |
6.8 |
5.5 |
0.35 |
320 |
360 |
1150 |
1810 |
1050 |
190 |
680 |
450 |
510 |
||||
|
GZ4F |
40 |
56 |
60 |
6.8 |
7 |
0.45 |
360 |
451 |
1306 |
1940 |
1100 |
207.5 |
750 |
500 |
574 |
||||
|
GZ5F |
80 |
112 |
80 |
12.7 |
10.6 |
0.65 |
668 |
528 |
1483 |
2190 |
1200 |
255 |
890 |
700 |
784 |
||||